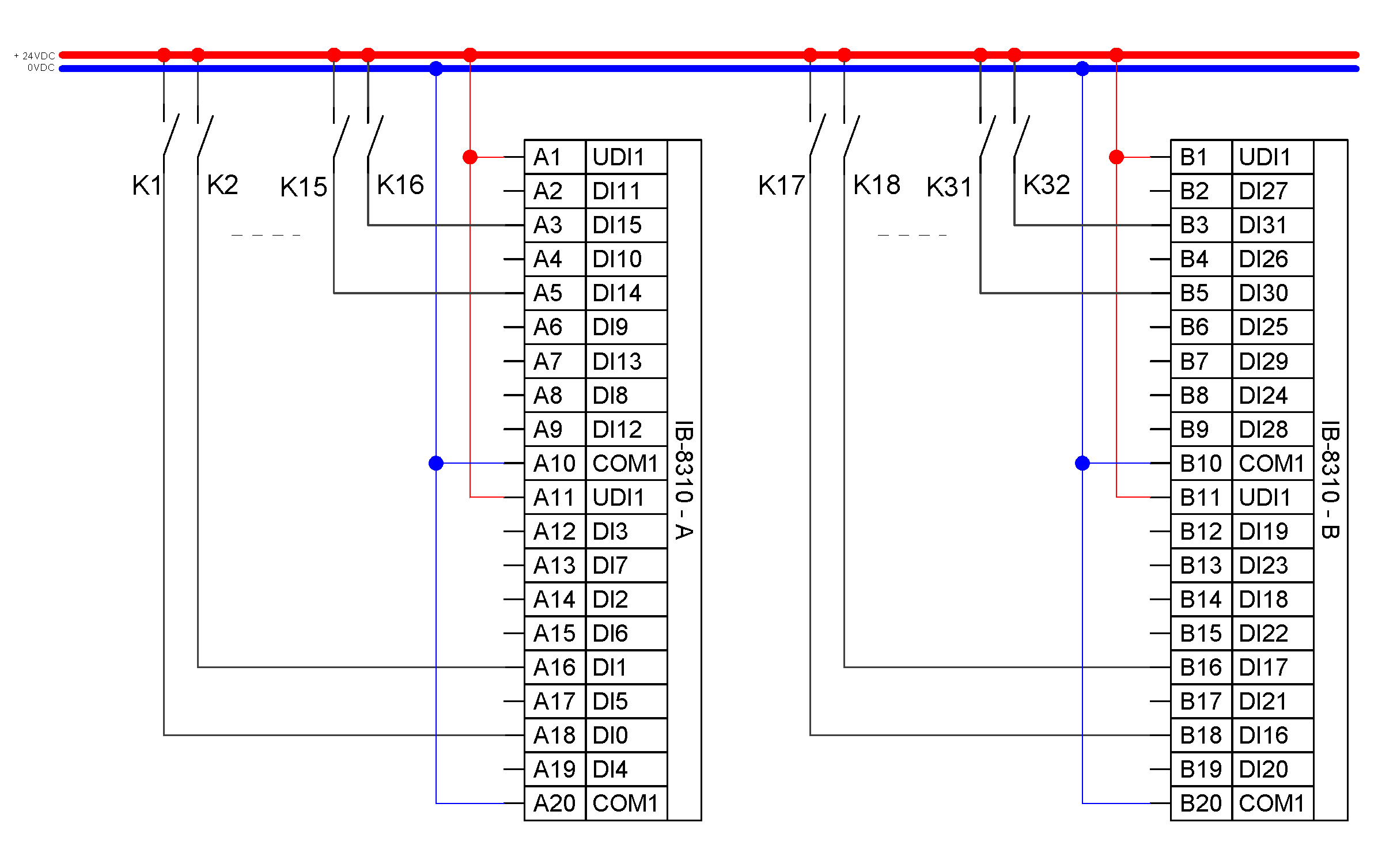
Modul IB-8310 je určený pro snímání až 32 binárních signálů 24 VDC se společnou svorkou mínus, typ 3 a je určen především pro připojení externích modulů na DIN lištu řady IB-04xx. Modul je osazen dvěma konektory, na které je vyvedeno vždy 16 vstupů. Modul obsahuje inteligentní vstupní obvody, které vyžadují připojit externí napájecí napětí 24 VDC.

Obr.1 Příklad zapojení modulu

Obr. 2 Zapojení konektoru modulu
Poznámky:
-
VDIx vstup napájecího napětí +24 V DC pro vnitřní obvody modulu
-
COMx společná svorka vstupních obvodů a napájení vstupních obvodů
-
DIx vstupní svorka vstupu x
