Modul OR-8450 je vybaven 12 reléovými výstupy se spínacími kontakty. Modul je osazen bezšroubovým vyjímatelným konektorem 17 svorek se zajištěním po zasunutí do modulu. Jednotlivé výstupy je možné zatěžovat trvalým proudem až 3 A (nesmí se překročit max. proud společné svorky skupiny 8 A)
Krátkodobý proud (spínací jevy) může být až 6 A
Minimální spínaný proud (zaručující bezchybnou funkci relé) je 100 mA.
Podrobné parametry kontaktů použitých relé (např. zatěžovací křivky, počty sepnutí) naleznete v tomto článku.

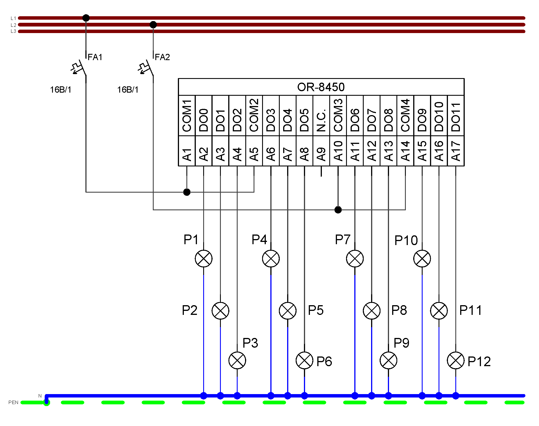
Obr. 1 Základní příklad zapojení modulu
Poznámky:
-
COMx společná svorka skupiny výstupů
-
DOx výstupní svorka výstupu x
-
skupiny výstupů (vždy 3 výstupy) DO0-DO2 a DO3-DO5 jsou odděleny pouze pracovní izolací (nelze spínat jednou skupinou např. obvody 230 VAC a druhou skupinou obvody SELV 24 V). Totéž platí pro skupiny DO6-DO8 a DO9-DO11.
-
Výkon spínané stejnosměrné zátěže je omezen zatěžovací křivkou.
-
Elektrická životnost kontaktů použitých relé je uvedena v podrobné dokumentaci modulu.
