Signalizační zařízení SZN-x slouží k bezpečnější orientaci nevidomých a slabozrakých na světelně ovládaných křižovatkách. Doplňuje stávající světelnou signalizaci ještě zvukovou signalizací.
Zařízení SZN-x se instaluje jednoduchým způsobem na vnější stranu krytu světel a elektricky se připojí třemi vodiči paralelně k stávající světelné signalizaci pro chodce – do svorkovnice uvnitř krytu světel.
STOP – červené světlo je signalizováno frekvencí cca 1,5 tepů za sec.
VOLNO – zelené cca 8 tepů za sec.
Varianty SZN-1 (napájení 230 VAC) a SZN-8 (napájení 28 ÷ 55 V AC/DC) jsou preferované, varianty SZN-6 a SZN-7 jsou výběhové.
![]() |
POZOR, je nutno dodržet správné napájecí napětí, na které se SZN-x připojuje, včetně dodržení jeho polarity v případě stejnosměrného napětí ! |
Varianty modulů SZN a jejich odpovídající rozsahy a polarity napájecího napětí
| napájení | SZN-1 | SZN-8 | SZN-6 | SZN-7 |
| 230 VAC | ANO | x | x | x |
| 26 ÷ 55 V AC | x | ANO | x | x |
| 28 ÷ 55 V DC, společná svorka MINUS | x | ANO | x | ANO |
| 28 ÷ 55 V DC, společná svorka PLUS | x | ANO | ANO | x |
| 20 ÷ 55 V DC, společná svorka MINUS | x | x | x | ANO |
| 20 ÷ 55 V DC, společná svorka PLUS | x | x |
ANO |
x |

Obr. 1 připojení SZN-x na svorky světelné signalizace ("semaforu pro chodce")
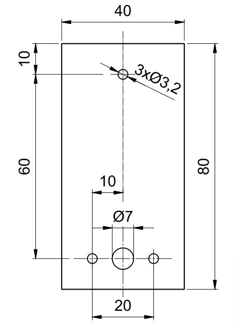
Zařízení SZN-x se instaluje na vnější stěnu krytu světelné signalizace pro chodce. Pomocí šablony (je součástí dodávky) nejprve označíme 3 otvory o průměru 3,2 mm pro uchycení a jeden otvor o průměru 7 mm pro protažení přívodního kabelu. Po vyvrtání otvorů protáhneme kabel až do horní části krytu ke svorkovnici a maticemi M3 zařízení upevníme. Po mechanické instalaci provedeme elektrickou instalaci.
Dále doporučujeme dodržet tyto pokyny:
- Ošetřit vstupní otvor pro kabel těsnícím tmelem
- Přívodní kabel nezkracovat, ponechat stočený uvnitř krytu.
- Při montáži na boční stěnu krytu světel mechanicky přichytit tak, aby firemní štítek Teco a. s. Kolín směřoval dolů k zemi.

Obr. 2 Rozměry a rozteč otvorů pro upevnění modulu SZN-x

