ID-104, objednací číslo TXN 055 23, je barevný grafický operátorský panel kategorie 10" s dotykovou obrazovkou. Je určen pro spolupráci se systémy TECOMAT TC800 a Foxtrot k interpretaci jeho uživatelsky programovaných webových stránek. Uživatelské obrazovky se vytvářejí v programovacím prostředí Mosaic nástrojem WebMaker a jsou totožné se stránkami, které jsou v Tecomatu dostupné přes webový server také jinými standardními a univerzálními webovými prohlížeči.
Panel má podsvícený kapacitní dotykový LCD TFT 10" displej s poměrem stran 16:9 s rozlišením 1920x1200 bodů. Je napájen z externího zdroje 24 V DC. Komunikace mezi řídicím systémem a panelem ID-104 probíhá po rozhraní Ethernet 100Base-TX. Je určen pro montáž na stěnu do standardní instalační krabice 68 mm, případně pro upevnění do dveří panelu rozvaděče pomoci plechového držáku do panelu (TXN 055 23.93) a oboustranné samolepicí fólie (TXN 055 23.92) objednávané samostatně.
Objednací čísla ID-104 a volitelných doplňku:
TXN 055 23 komplet operátorského panelu ID-104 v provedení na instalační krabici (skládá se z panelu, základny a fixačních vrutů).
TXN 055 23.92 oboustranná samolepka pro 10" (samolepka pro přilepení panelu ID-104 do otvoru v krytu např. rozvaděče)
TXN 055 23.93 plechový držák displeje 10" (držák pro upevnění kompletního panelu ID-104 do otvoru v krytu např. rozvaděče)
lze využít i držák společný se 7" displejem:
TXN 055 22.95 montážní držák na stěnu 7" (držák pro upevnění panelu ID-74 na stěnu)
Montáž do panelu
Panel je možno upevnit do tenké desky, např. plechové nebo plastové dveře rozvaděče. Pro montáž je možno objednat oboustranně samolepicí díl a plechový držák. Pro montáž na plechový kryt tl. 1 mm jsou optimální šrouby M4x16, při použití ploché podložky Síla utažení je max. 1,2 Nm.

Obr. 1 Osazení ID-104 do tenké stěny (zde stěna tl. 1 mm)
Otvor do stěny musí být poměrně přesně vyřezán, protože samolepicí folie (na obrázku vyobrazena černou barvou) je tenká. Na obr. 2 jsou uvedeny požadované rozměry otvoru a umístění panelu ID-104 vzhledem k otvoru.

Obr, 2 Rozměry otvoru pro upevnění ID-104 do tenké stěny
Umístění samolepicí fólie (zvýrazněna modře) je znázorněno na obr.3. Po stranách jsou vidět upevňovací šrouby na zcvaknutém držáku.

Obr. 3 umístění samolepicí fólie a plechového držáku (černě znázorněna oboustranná samolepka)
Plechový držák se opře nahoře a dole o zadní stěnu krytu, do kterého je osazován. Na obou plochách plechu jsou připravené oboustranné samolepky.

Obr. 4 boční pohled na umístění samolepicí fólie a plechového držáku s naznačenými samolepkami
Montáž na zeď
Panel ID-104 je primárně určen pro montáž na stěnu (zeď), na standardní instalační krabici, např. KU-68. Na instalační krabici se přišroubuje základna, jejíž součástí je konektor pro Ethernet a svorky napájení 24 V. Na upevňeou základnu se následně nacvakne vlastní panel - jeho hlavní část. Tím je montáž dokončena.

Obr.5 zadní pohled na ID-104 v konfiguraci pro upevnění na instalační krabici (nepoužije pak upevnění pomocí naznačených šroubů M4)
Poznámky:
- tmavou šedou je znázorněna základna, která se našroubuje na instalační krabici
- správná orientace při montáži dle obrázku (ethernet konektor směrem dolů)
- na základně je svorkovnice, na kterou se připojuje napájení 24 VDC, svorky jsou na obrázku popsány (záporná svorka GND, kladná svorka VDC)
- vlastní panel se na základu zahákne na horní straně (pozor na propojovací konektor), přiklopí a zacvakne dolní zobáčky.
- Při demontáži se postupuje obráceně - tahem se vycvaknou dolní zobáčky a panel se vyklopí
- Dolní zobáčky umožňují i fixaci malými vruty jako pojistka proti sejmutí ze zdi, vruty jsou součástí dodávky, zašroubují se těsně podél zdi zespodu, vyžadují šroubovák TORX T6
Vlastní panel se může zafixovat po zacvaknutí na základnu pomocí dvou malých vrutů, které jsou součástí dodávky.
Vruty se šroubují ze spodní strany panelu, vyžadují šroubovák TORX T6. 
Montáž na stěnu, např. sádrokarton
Pro montáž na stěnu, ve které není osazena instalační krabice je možno doobjednat montážní držák na stěnu (TXN 055 22.95), který se našroubuje na stěnu a do něj se pak našroubuje základna a postupuje se dál jako při montáži na zeď.

Obr. 7 Znázornění panelu ID-74 s montážním držákem na stěnu (montážní držák je znázorněn tmavě šedou barvou) - shodně je řešen i ID-104
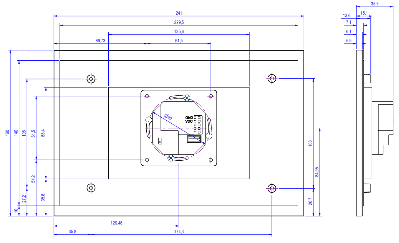
Rozměry operátorského panelu ID-104

Obr. 8 Rozměry operátorského panelu ID-104 (při montáži na zeď na standardní instalační krabici)

Obr. 9 Rozměry operátorského panelu ID-104 (při montáži na stěnu s využitím plechového držáku TXN 055 23.93)
Základní parametry
|
Připojení napájení |
pružinová svorka Push-In |
|
Krytí |
IP20 |
|
Napájecí napětí |
24 ÷ 48 V DC |
|
Interní jištění |
Ne |
|
Příkon |
Max. 7,2 W |
|
Maximální hmotnost |
530 g |
|
Rozměry |
240 x 160 x 20 mm |
|
Norma výrobku |
EN 60730 |
Provozní podmínky
|
Rozsah provozních teplot |
0 °C až + 40 °C |
|
Rozsah skladovacích teplot |
-20 °C až + 70 °C |
|
Provozní/skladovací vlhkost |
5 % až 80 % RH, bez kondenzace |
|
Pracovní poloha |
Svislá |
|
Druh provozu |
Trvalý |
Displej
|
Charakteristika displeje |
barevný TFT IPS |
|
Úhlopříčka |
10” |
|
Rozlišení |
1920 x 1200 bodů |
|
Dotykový panel |
kapacitní multitouch |
Připojené dokumenty
- Rozměry otvoru do krytu, při montáži na instalační krabici a montáži na stěnu (cs)
