Modul OS-8410 je určený pro ovládání až 32 zátěží 24 V DC / 0,05 A – především externích modulů na DIN lištu řady OS-04xx nebo OR-04xx. Výstupy jsou realizovány polovodičovými spínači. Modul je osazen dvěma konektory, na které je vyvedeno vždy 16 výstupů. Modul obsahuje inteligentní výstupní obvody, které vyžadují připojit externí napájecí napětí 24 V DC.
Výstupy spínají proti společné svorce COM (společná svorka minus !!).

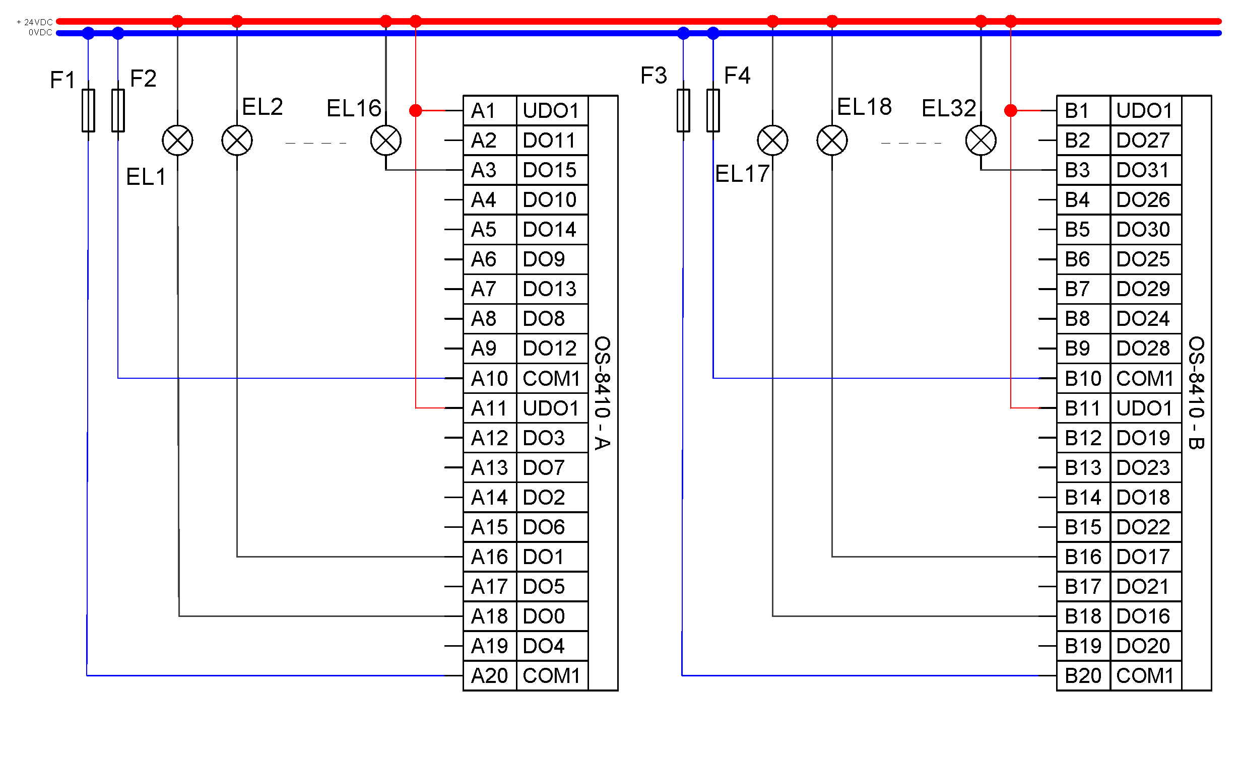
Obr.1 Příklad zapojení modulu

Obr. 2 Zapojení konektoru modulu
Poznámky:
-
VDOx svorka pro napájení vnitřních obvodů modulu (+ 24 V DC)
-
COMx společná svorka výstupních obvodů a vnitřních obvodů modulu
-
DOx výstupní svorka výstupu x
