Modul IB-8305 je vybaven 12 binárními vstupy 230 V AC, Typ 1. Vstupy jsou organizovány do skupin po 3 vstupech. Každá skupina může být zapojena s jinou společnou svorkou. Skupiny jsou navzájem galvanicky odděleny. Modul je galvanicky oddělen od ostatních obvodů PLC, podrobnější informace o galvanickém oddělení jsou níže u vysvětlivek příkladu zapojení.
Modul je osazen bezšroubovým vyjímatelným konektorem 17 svorek se zajištěním po zasunutí do modulu.
Modul vyžaduje napájení VM i VIO (napájení systému TC800).

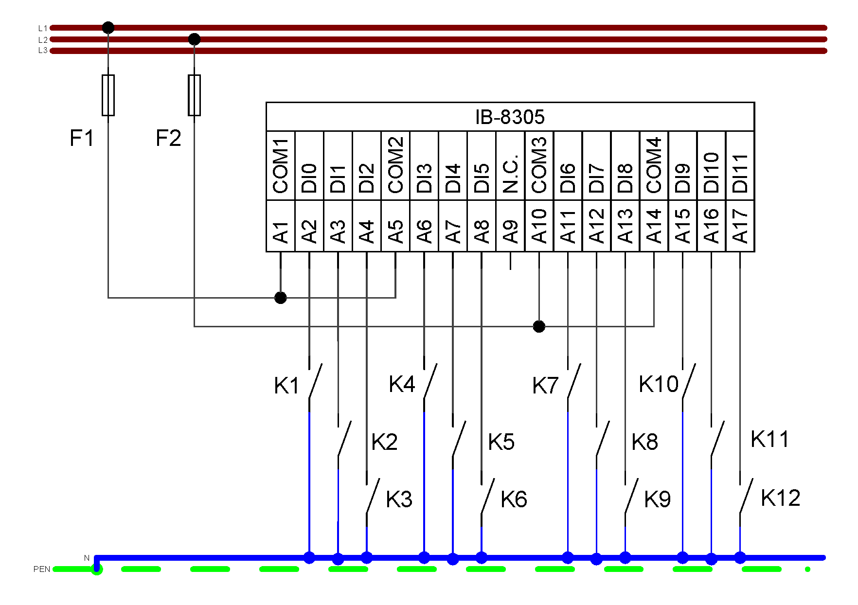
Obr. 1 Základní příklad zapojení modulu
Poznámky:
- COMx společná svorka skupiny výstupů
- DIx vstupní svorka vstupu x
- skupiny vstupů (vždy 3 vstupy) DI0-DI2 a DI3-DI5 jsou odděleny pouze pracovní izolací 250 VAC (nelze je připojit na různé fáze). Totéž platí pro skupiny DI6-DI8 a DI9-DI11.
- galvanické oddělení umožňují připojení na různé fáze je mezi skupinami pouze uprostřed modulu (izolaci 500 VAC zajišťuje nezapojená svorka A9) - viz tento příklad
